/hr/prod/real-estate/3280/cover_cleaned/marina-vinisce-samostatne-stojici-dum-216-m2-600-m-od-more-a-plaze.webp)
Marina, Vinišće, samostatně stojící dům 216 m2, 600 m od moře a pláže
Přehled připravenosti nemovitosti
Na prodej je rozestavěný dům s celkovou hrubou zastavěnou plochou 216,79 m2, který se nachází ve Vinišće u Trogiru, Chorvatsko.
Město Vinišće bylo poprvé zmíněno v historických knihách v roce 1272, a proto se zde nacházejí památky pod ochranou UNESCO.
Město Vinišće se nachází na poloostrově s vlastním mikroklimatem a díky své geografické poloze má více než 250 slunečných dnů v roce. Na jaře a v létě zde vždy vane jemný mistrál (větrná růžice).
Novostavba:
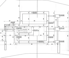
Hrubá zastavěná plocha: 216,79 m2
Plocha budovy: 106,70 m2
Čistá plocha budovy: P=198,54 m2
Na jižní straně novostavby je přístup pro vozidla a pěší s parkováním se 2 venkovními místy. V suterénu novostavby je garáž s 1 parkovacím místem.
Na severovýchodní straně novostavby je plánována venkovní terasa s bazénem. Venkovní terasa a bazén jsou obklopeny klidným borovým lesem a zaručují naprosté soukromí.
Vstup do novostavby je z jihovýchodní strany budovy přes malé venkovní schodiště, přímo vedle parkoviště, ke kterému vede vnitřní schodiště spojující všechna 3 podlaží.
V suterénu novostavby je garáž s parkovacím místem a vnitřním schodištěm.
Přízemí se skládá z obývacího pokoje a jídelny, kuchyně, vnitřního schodiště, vstupní haly, toalety a skladu, venkovní kryté a nekryté terasy a bazénu.
V prvním patře jsou 3 pokoje, 3 koupelny, chodba, vnitřní schodiště a dvě lodžie.
Všechny dostupné nemovitosti a prémiové nabídky v regionu: Vinišće
/central/prod/contact/37/01KFFPCGH78HYVDM5K33B56TDY/famalo.png)
V prémiových nemovitostech není hlavní výzvou najít nabídky. Důležité je rozpoznat ty, které si skutečně zaslouží vaši pozornost.
Právě v tom spočívá přínos Famalo. Jde o moderní realitní platformu, která pomáhá dělat první rozhodnutí při výběru nemovitosti jasněji, rychleji a s lepším zaměřením na to podstatné.
Pro kupující to znamená výběr, který více odpovídá jejich skutečným preferencím. Méně zbytečného šumu. Lepší výchozí bod pro hledání i rozhodování. V některých případech mohou získat také přístup k off-market nabídkám, které nejsou běžně dostupné na otevřeném trhu.
Pro partnery Famalo přináší lepší viditelnost před publikem, které aktivně hledá, má jasný zájem a je finančně připravené jednat. Výsledkem jsou kvalitnější kontakty a přesnější propojení mezi nabídkou a skutečným zájmem.
Postaveno na reálném zájmu. Kvalitnější výběr. Lepší začátek.

Prodávejte globálně s Famalo
Oslovte seriózní mezinárodní kupující. Pracujte s předkvalifikovanými klienty.
Na základě dat a precizního marketingu
S podporou Famalo Buyers Club
Potvrzuji, že jsem si přečetl/a a souhlasím s podmínkami Obchodní podmínky pro kupující a Zásady ochrany osobních údajů.
/hr/prod/real-estate/3280/img_0_cleaned/marina-vinisce-samostatne-stojici-dum-216-m2-600-m-od-more-a-plaze-1.webp)
/hr/prod/real-estate/3280/img_1_cleaned/marina-vinisce-samostatne-stojici-dum-216-m2-600-m-od-more-a-plaze-2.webp)
/hr/prod/real-estate/3280/img_2_cleaned/marina-vinisce-samostatne-stojici-dum-216-m2-600-m-od-more-a-plaze-3.webp)
/hr/prod/real-estate/3280/img_3_cleaned/marina-vinisce-samostatne-stojici-dum-216-m2-600-m-od-more-a-plaze-4.webp)